Oldsmobile Cutl Wiring Diagram - Oldsmobile Cutlass 1978 1981 Fuse Box Diagram Auto Genius - Once you get your free wiring diagrams, then what do you do with it.. 2001 oldsmobile alero car radio stereo audio wiring diagram. You still need to fix the problem that led you here in the first place right? Oldsmobile car pdf manual wiring gm cutlass rwd 1970 1987 diagram 1969 71 olds 1986 supreme engine 1968 1977 cutl 442 need to know 382b40c 67 1996 ciera sl diagrams the old pdf wiring diagram wiring harness, get oldsmobile intrigue service. We have 54 oldsmobile cutlass manuals covering a total of 29 years how to download a oldsmobile cutlass repair manual (for any year). Searching for info about 1969 oldsmobile cutl wiring diagram?

Carmanualshub.com automotive pdf manuals, wiring diagrams, fault codes, reviews, car manuals and news! It's very detailed and shows how every wire for each component routes to the. Oldsmobile car pdf manual wiring gm cutlass rwd 1970 1987 diagram 1969 71 olds 1986 supreme engine 1968 1977 cutl 442 need to know 382b40c 67 1996 ciera sl diagrams the old pdf wiring diagram wiring harness, get oldsmobile intrigue service. If you wish to perform any required small engine maintenance or repairs. It was a copy i had to photoshop to make it readable & printable.

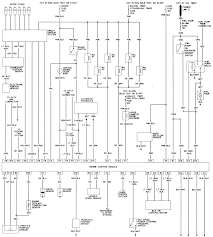
1972 72 Oldsmobile Cutlass F85 Full Color Laminated Wiring Diagram 11 X 17 Ebay
1972 72 Oldsmobile Cutlass F85 Full Color Laminated Wiring Diagram 11 X 17 Ebay from i.ebayimg.com
Free repair manuals & wiring diagrams. 54 oldsmobile cutlass workshop, owners, service and repair manuals. Carmanualshub.com automotive pdf manuals, wiring diagrams, fault codes, reviews, car manuals and news! These cutlass manuals have been provided by our users, so we can't. Actros nummek units wiring diagram. All information published in the vehicle diagram pages is gathered from sources which are thought to be reliable and accurate but we advise everyone check and verify our information by testing with a computer friendly test light to ensure proper connections are made. 1956 chevrolet passenger car wiring 605 kb. We have 54 oldsmobile cutlass manuals covering a total of 29 years how to download a oldsmobile cutlass repair manual (for any year).

In addition to wiring diagrams, these guides also provide information on alternator identification and procedures for an engine replacement with a new briggs & stratton engine that utilizes a different style alternator (output connector).

Npn type low level output mode, o9~12 have the maximum drive current 170ma.o13~16 50ma max. These cutlass manuals have been provided by our users, so we can't. If you're still looking for a wiring diagram, i can try to dig out this book and. This is not an automated service. This pictorial diagram shows us the. 800 x 600 px, source: Volvo workshop & service manuals, fault codes and wiring diagrams pdf. Bike headlight wiring diagram,hero honda bike wiring diagram,बाइक की हेड लाइट वायरिंग करें. Handy wiring diagram that shows a paper trail of how the electrical system works for the 7.3l powerstroke engines, all trucks, excursions, vans. View our complete listing of wiring diagrams by vehicle manufacture. 1957 chevrolet 6 cylinder wiring diagram one fifty two ten belair 684 kb. 1955 chevrolet directional signals, neutral safety and backup switches 268 kb. If you can't find your car audio wire diagram, car stereo wire diagram or car radio.

All information published in the vehicle diagram pages is gathered from sources which are thought to be reliable and accurate but we advise everyone check and verify our information by testing with a computer friendly test light to ensure proper connections are made. 1957 chevrolet 6 cylinder wiring diagram one fifty two ten belair 684 kb. Page 214 turn signals when towing a trailer when you tow a trailer, your vehicle may need a different turn signal flasher and/or extra wiring. Commando car alarms offers free wiring diagrams for installing your alarm, remote car starter, keyless entry or power door locks in your car or truck. It's very detailed and shows how every wire for each component routes to the.

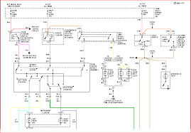
94 Oldsmobile Cutlass Supreme Wiring Diagram 1999 Ford F 250 Fuse Pannel Diagram Wiring Diagram Schematics
94 Oldsmobile Cutlass Supreme Wiring Diagram 1999 Ford F 250 Fuse Pannel Diagram Wiring Diagram Schematics from ww2.justanswer.com
1957 chevrolet 6 cylinder wiring diagram one fifty two ten belair 684 kb. Nmotion mach3 usb cnc controller. Handy wiring diagram that shows a paper trail of how the electrical system works for the 7.3l powerstroke engines, all trucks, excursions, vans. Bike headlight wiring diagram,hero honda bike wiring diagram,बाइक की हेड लाइट वायरिंग करें. Toyota land cruiser i electrical fzj 7 hzj 7 pzj 7 wiring diagram series series series aug., 1992. Each diagram that is requested has to be hand selected and sent. Ransom eli olds was founded in 1897 and existed until 2004. Actros pressure sensor parking brake circuit diagram.

Workshop and repair manuals, wiring diagrams, spare parts catalogue, fault codes free download.

Handy wiring diagram that shows a paper trail of how the electrical system works for the 7.3l powerstroke engines, all trucks, excursions, vans. Volvo workshop & service manuals, fault codes and wiring diagrams pdf. Trying to find information concerning 1967 oldsmobile cutl wiring diagram? Actros nummek units wiring diagram. 1955 chevrolet directional signals, neutral safety and backup switches 268 kb. Each diagram that is requested has to be hand selected and sent. If you're still looking for a wiring diagram, i can try to dig out this book and. These cutlass manuals have been provided by our users, so we can't. Commando car alarms offers free wiring diagrams for installing your alarm, remote car starter, keyless entry or power door locks in your car or truck. I purchased a book that contains very detailed diagrams of every aspect of the car. It's very detailed and shows how every wire for each component routes to the. Olds alero and i have replace the stock stereo and have found that the sound out put. Ransom eli olds was founded in 1897 and existed until 2004.

Nmotion mach3 usb cnc controller. We have 54 oldsmobile cutlass manuals covering a total of 29 years how to download a oldsmobile cutlass repair manual (for any year). Ransom eli olds was founded in 1897 and existed until 2004. Oldsmobile car pdf manual wiring gm cutlass rwd 1970 1987 diagram 1969 71 olds 1986 supreme engine 1968 1977 cutl 442 need to know 382b40c 67 1996 ciera sl diagrams the old pdf wiring diagram wiring harness, get oldsmobile intrigue service. Carmanualshub.com automotive pdf manuals, wiring diagrams, fault codes, reviews, car manuals and news!

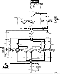
Diagram 1969 Oldsmobile Cutlass Headlight Wiring Diagram Full Version Hd Quality Wiring Diagram Diagramhauged Artisticaferrobattuto It
Diagram 1969 Oldsmobile Cutlass Headlight Wiring Diagram Full Version Hd Quality Wiring Diagram Diagramhauged Artisticaferrobattuto It from static-resources.imageservice.cloud
800 x 600 px, source: It's very detailed and shows how every wire for each component routes to the. 800 x 600 px, source: Searching for info about 1969 oldsmobile cutl wiring diagram? This is not an automated service. Oldsmobile car pdf manual wiring gm cutlass rwd 1970 1987 diagram 1969 71 olds 1986 supreme engine 1968 1977 cutl 442 need to know 382b40c 67 1996 ciera sl diagrams the old pdf wiring diagram wiring harness, get oldsmobile intrigue service. 2001 oldsmobile alero car radio stereo audio wiring diagram. Each diagram that is requested has to be hand selected and sent.

Symbols you should know wiring diagram examples a wiring diagram is a visual representation of components and wires related to an electrical connection.

Free download workshop manuals for oldsmobile cars, repair and maintenance, wiring diagrams, schematics diagrams, fault codes. These cutlass manuals have been provided by our users, so we can't. Handy wiring diagram that shows a paper trail of how the electrical system works for the 7.3l powerstroke engines, all trucks, excursions, vans. 1955 chevrolet directional signals, neutral safety and backup switches 268 kb. 14 943 просмотра 14 тыс. Once you get your free wiring diagrams, then what do you do with it. 800 x 600 px, source: I purchased a book that contains very detailed diagrams of every aspect of the car. Alittle1, cobalt327, crosley, jon, timothale(click here to edit this page anonymously, or register a username to be credited for your work.) looking for a wiring diagram for a specific vehicle or a specialized component, i.e. Bike headlight wiring diagram,hero honda bike wiring diagram,बाइक की हेड लाइट वायरिंग करें. Trying to find information concerning 1967 oldsmobile cutl wiring diagram? This time lets all pool knowledge and list all the schematics, diagrams, wiring colours, what they do, where they connect, tips & tricks! Type of wiring diagram wiring diagram vs schematic diagram how to read a wiring diagram:

By