2001 Ford Taurus Wiring Diagram / 2002 Ford Taurus Wiring Diagram Wiring Diagram New Drain Wire A Drain Wire A Weimaranerzampadargento It - Ford taurus manual page 2.. This could blow both units. Keep the volume low on your sending unit for the input is preamp only. Im trying to hook up a new stereo without a wiring harness. › see all products in tools & equipment. .where to find a diagram on the firing order of a 1994 ford taurus gl with a 3.8 liter v6?

2001 ford mercury dealer electrical wiring diagram service manual taurus sable. Does anyone know where can i download or see online a 2001 ford taurus ses service manual? Also did not know where to post this. 2001 ford taurus workshop service repair manual. Ive got a 1998 ford taurus 3.0 v6.

2001 Ford Taurus Mercury Sable Wiring Diagram Manual Original Ford Amazon Com Books
2001 Ford Taurus Mercury Sable Wiring Diagram Manual Original Ford Amazon Com Books from images-na.ssl-images-amazon.com
Keep the volume low on your sending unit for the input is preamp only. Horn keeps blowing no pause. View and download ford taurus manual online. 2006 2007 ford taurus wiring diagrams manual original. Download and view your free pdf file of the 2001 ford taurus owner manual on our comprehensive online database of automotive owners manuals. Like it has a cut off switch. Can anyone tell me if there is a panel diagram that i can download/print? Don't cross the wires trying to get all audio function.

Here are some of the top drawings we obtain from numerous resources, we really hope these images will serve to you, as well as ideally extremely appropriate to what you desire about the.

You are now reading 2001 ford taurus automatic transmission wiring schematic. Download free ford taurus 2001 ford taurus owners manual from manuals.co or send it immediately straight to your email! Like it has a cut off switch. Thank you for visiting onlymanuals.com. 2006 2007 ford taurus wiring diagrams manual original. It should be the same as the older sony systems 2010 and up. Ford may change the contents without notice and without incurring obligation. Diagrams for the following systems are included : Ran across this wiring diagram awhile back and just found it again. This could blow both units. Ive got a 1998 ford taurus 3.0 v6. Ford taurus 2001 pdf will be shown after captcha resolving. View and download ford taurus manual online.

Also did not know where to post this. You can know if a taurus man likes you if you notice gazing at you often or trying to find excuse to get close to you and touch you. › see all products in tools & equipment. So we attempted to uncover some great 2001 ford taurus engine diagram image to suit your needs. This video demonstrates the ford taurus complete wiring diagrams and details of the wiring harness.

2001 Ford Taurus Automatic Transmission Wiring Schematic
2001 Ford Taurus Automatic Transmission Wiring Schematic from image.slidesharecdn.com
2001 ford taurus & mercury sable wiring diagram manual original. Can anyone tell me if there is a panel diagram that i can download/print? You can know if a taurus man likes you if you notice gazing at you often or trying to find excuse to get close to you and touch you. Download and view your free pdf file of the 2001 ford taurus owner manual on our comprehensive online database of automotive owners manuals. 2006 2007 ford taurus wiring diagrams manual original. 2001 ford taurus sel engine diagram. My fan is not turning and i need to check the fuse but when i bought the car the cover was missing. Ford taurus sho 1992 cooling fan circuit system wiring.

Don't cross the wires trying to get all audio function.

› see all products in tools & equipment. Ford may change the contents without notice and without incurring obligation. My fan is not turning and i need to check the fuse but when i bought the car the cover was missing. It should be the same as the older sony systems 2010 and up. 1997 wiring diagram taurus car club of america ford. 2001 ford taurus workshop service repair manual. Thank you for visiting onlymanuals.com. Ford focus 2002 wiring diagram pdf. Also did not know where to post this. This webpage contains 2001 ford taurus owners manual pdf used by ford garages, auto repair shops, ford dealerships and home mechanics. Can anyone tell me if there is a panel diagram that i can download/print? Outstanding 2001 ford taurus spark plug wire diagram photos, size: So we attempted to uncover some great 2001 ford taurus engine diagram image to suit your needs.

It consists the back view of among all the ford alternator wiring diagrams above, this is the most complicated one. Can anyone tell me if there is a panel diagram that i can download/print? Replacing battery in 2001 ford taurus. It should be the same as the older sony systems 2010 and up. Outstanding 2001 ford taurus spark plug wire diagram photos, size:

2001 Ford Taurus Wiring Schematic Wiring Diagram Split Network A Split Network A Piuconzero It
2001 Ford Taurus Wiring Schematic Wiring Diagram Split Network A Split Network A Piuconzero It from tse2.mm.bing.net
Ford focus 2002 wiring diagram pdf. Let me know if i'm right please. My fan is not turning and i need to check the fuse but when i bought the car the cover was missing. Get solutions for 2001 ford taurus firing order diagram related issues from top ford experts. Download free ford taurus 2001 ford taurus owners manual from manuals.co or send it immediately straight to your email! Ford taurus sho 1992 cooling fan circuit system wiring. This video demonstrates the ford taurus complete wiring diagrams and details of the wiring harness. 2001 ford taurus workshop service repair manual.

This video demonstrates the ford taurus complete wiring diagrams and details of the wiring harness.

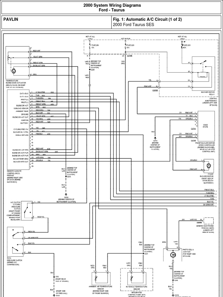
Diagrams for the following systems are included : 2001 ford taurus service & repair manual software. Horn keeps blowing no pause. 2001 ford taurus workshop service repair manual. It the 2014 sho taurus it has the sony system with navigation. 1997 wiring diagram taurus car club of america ford. Don't cross the wires trying to get all audio function. User guide • read online or download pdf • ford 2001 taurus user manual • ford cars. Keep the volume low on your sending unit for the input is preamp only. Think i might have solved this based on the wiring diagrams below. 2001 ford taurus & mercury sable vols 1 & 2 service shop repair manual original. Ford probe ford ranger ford super duty ford taurus ford windstar. Get solutions for 2001 ford taurus firing order diagram related issues from top ford experts.

By